容积式换热器
发布时间:2021-04-23
浏览:次
一、概述
换热器的类型随工业发展而扩大,由于用途、工作条件和载热体的特性等的不同,对换热器提出了不同的要求,出现了各种不同形式和结构的换热器,容积式换热器就是其中的一种形式。容积式换热器具有一定的贮水容积,可用于住宅、公共建筑和工业企业的局部或集中热水供应系统。
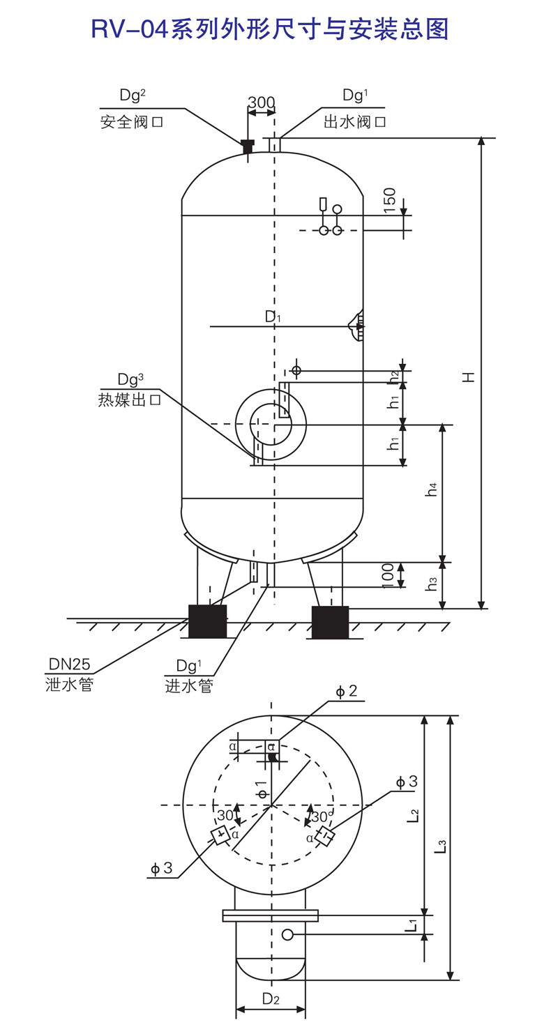
二、构成
容积式换热器主要由管箱、管束、壳体、控制装置、温度调节器、温度计、压力表等组成。
三、工作原则
容积式换热器属于间壁式换热器,它利用一种固体壁面将进行热交换的两种流隔开,使它们通过壁面进行传热,进而实现两流体进行换热的工艺目的。
四、主要特性
1、换热量大,热媒温降大。被加热水温升高。
2、节能,当以蒸汽为热媒时,能回收约占整个换热量的15的凝结水热量。3、贮水量大,水在压头损失低,供水稳定,方便清垢。
五、主要技术参数(见表)
六、产品标准
我公司的产品遵循国家强制性标准GB151-1999《管壳式换热器》及GB150-1998《钢制压力容器》。
七、产品标准

八、定型产品(见表)


